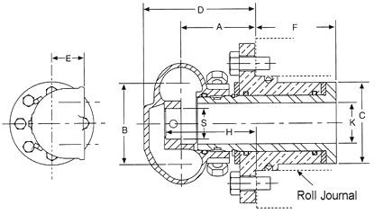
The C-Cast rotary union is available in both external and internal (journal-inserted) mounted options and single- and dual-flow configurations. The internal-mounted, or journal inserted configuration, is the most popular and is found on the majority of continuous casting machines in North America and Europe. The C-Cast rotary union features a large bearing area, deep grease galleys, and two Quad-Seal O-rings that keep contaminants out of the sealing area. With a minimum of moving parts and low maintenance requirements, the C-Cast is preferred by steel makers and OEMs worldwide. The C-Cast union is rated up to 250° F (121° C), 150 psig (10 bar), and 100 RPM.
| Max. Pressure | Max. Temperature | Max. Speed | Fluid |
|---|---|---|---|
| 0.1MPa | 121°C | 100rpm | Water |

CJIA (Single Flow)

CJID (Dual Flow)
| Size(K) | M | A | B | C | D | E | F | G | O |
|---|---|---|---|---|---|---|---|---|---|
| 3/8" | 3/8" | 18 | - | 26 | - | 30 | 26 | - | - |
| 3/4" | 3/4" | 44 | 57 | 41 | 67 | 45 | 35 | 12 | 11 |
| 1" | 3/4" - 1" | 48 | 60 | 51 | 70 | 45 | 51 | 12 | 11 |
| 1 1/2" | 1 1/2" | 67 | 86 | 70 | 95 | 48 | 83 | 21 | 11 |
| Size(K) | M | P | S | A | B | C | D | E | F | H |
|---|---|---|---|---|---|---|---|---|---|---|
| 3/4" | 1/2" - 3/4" | 1/2" - 3/4" | 3/4" | 40 | 51 | 41 | 64 | 40 | 35 | 49 |
| 1" | 1/2" - 3/4" | 1/2" - 3/4" | 3/4" | 43 | 51 | 51 | 67 | 40 | 51 | 54 |
| 1 1/2" | 3/4" - 1" | 3/4" - 1" | 28.5 | 56 | 64 | 70 | 85 | 40 | 81 | 62 |